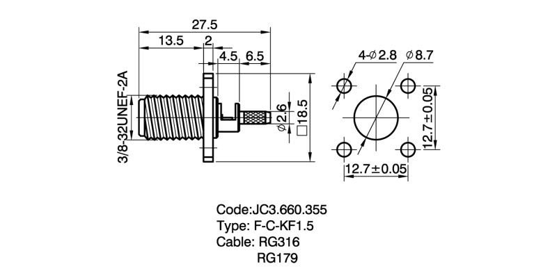
产品编号:
JC3.660.355
产品型号:
F-C-KF1.5
产品名称:
法兰盘压接电缆插座
产品类别:
F
相配电缆:
RG-316, RG-179

660.355 F-C-KF1.5  详情页1.png660.355 F-C-KF1.5 详情页2.png