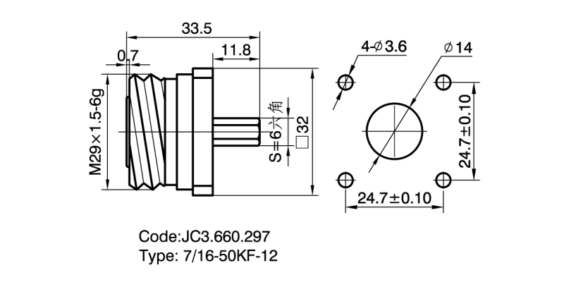
Product number:
JC3.660.297
Product model:
7/16-KF-12
Product name:
法兰安装面板插座
Product Category:
7/16(L29)
Matching cable:

660.297  7-16-KF-12  详情页1.png660.297 7-16-KF-12 详情页2.png